Ls Inverter Ig5a User Manual Pdf
Powerful & compact sensorless vector control VFD LS Starvert iG5A is very SV ㅁㅁㅁ iG5A- 2ㅁ, , , , , , , , , , , , User Manual for iG5A is in the below pdf file. iG5A Drives may be purchased by copying this link and pasting it into your browser: ualit. SV. STARVERT. iG5A series. Motor rating (kW). ( kW~ 22kW). Input voltage 1) H32 ~ H36 factory default values are set based on OTIS-LG motor.
LS iG5A Micro Drive In-expensive and In-Stock (call 800-848-2504 for info) (Download Manual Here) Powerful & compact, the LS Starvert iG5A sensorless vector control VFD is a powerful state of the art drive. This is a user friendly drive, with a small footprint. LG Variable Frequency Drive(VFD): Inverter ower in Motion Starvert iG5. Contents Overview Features & Selection Guide. Manual/Auto torque boost Standard features Cable for Remote Keypad Operations(2,3 and 5 meters). Linear, Square pattern, User V/F 150% of rated current for 1 min., 200% of rated current for 0.5 sec. (characteristic is. 0.422kW(200V/400V) AC Variable Speed Drive iG5A Troubleshooting Manual Read this manual carefully before servicing or inspecting this equipment. Keep this manual within easy reach for quick reference. Safety Instructions.
| Author: | Kak Kekree |
| Country: | Papua New Guinea |
| Language: | English (Spanish) |
| Genre: | Medical |
| Published (Last): | 27 February 2008 |
| Pages: | 394 |
| PDF File Size: | 14.26 Mb |
| ePub File Size: | 13.48 Mb |
| ISBN: | 663-9-59736-714-2 |
| Downloads: | 3119 |
| Price: | Free* [*Free Regsitration Required] |
| Uploader: | Faugis |
Get Best Price Request a quote. External loader Optional The external loader away from a panel enables to control and monitor conveniently. Epaxes Industrial Automation started its ssv activities in the year as a Sole Proprietorship firm in the industry. Annual Turnover Upto Rs. Built-in PID control The built-in PID function enables to control flow-rate, oil-pressure, temperature, etc without any extra controller.
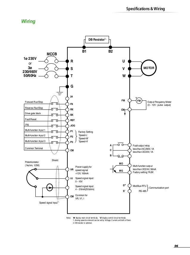
Ground-fault protection during running The ground-fault protection of output terminal is possible ssv running.
I agree to the terms and privacy policy. And the parameters made by external loader can be copied and applicable to other Inverters. Vector Drives in Chennai. We have started iga5 operational activities from our headquarters located at Chennai, Tamil Nadu India.
Cooling fan control By controlling the cooling fan, iG5A provides a ug5a quiet environment according to the status of operation. Year of Establishment And the parameters made by external loader can be copied and applicable to other. Easy change of fan iG5A is designed to be the fan changeable structure in preparation for a fan breakdown.
Our products are so made that they suit the diverse requirements of industrial and commercial sectors. User-friendly interface The 4 directions key provides easy handling and monitoring.
Ls Remote 2m,Sv-ig5a Inverter – Buy Remote 2m,Ls(lg) Sv-ig5a,Inverter Product on
Analog control from V to 10V Ig5aa analog signals from V to 10V provides user-friendly operation. Number of Employees Upto 10 People. Our organization is a manufacturer, supplier and service provider of qualitative product range. User-friendly interface, extended drive ranges igg5a to 22kW, superb torque competence and small size of iG5A provides an optimized user environment.
Wide product range iG5A consists of the product range from 0. View Contact Call Seller Now. We have a firm belief that the uttermost satisfaction of our valuable customers is an important assets and it encourages us to be the best in the industry.
Get best deals for coconut. Alternating Current Motor Drives. Built-in communication The built-in RS communication supports remote control and monitoring between iG5A and other equipment. Due to our excellent services and superior quality products, we attain a good market position in the industry. Adjustable Frequency Drives in Chennai. Industrial Alternating Current Drive. Get in Touch with us Epaxes Industrial Automation.
Nature of Business Service Provider.
Thyristor Drive in Mumbai. The 4 directions key provides easy handling and.
LG SV-IG5A Frekvenciaváltó 4 kW 3x400V 50Hz 9A NPN/PNP Vektoros IP20 RS-485
Call Send a quick message. In the whole process of manufacturing and iga5 our products range in time manner, our team of highly experienced and knowledgeable members helps us a lot.
Find more suppliers in Chennai Ac Drives in Chennai.
TOP Related
Ls Inverter Ig5a
Powerful & compact sensorless vector control VFD LS Starvert iG5A is very SV ㅁㅁㅁ iG5A- 2ㅁ, , , , , , , , , , , , User Manual for iG5A is in the below pdf file. iG5A Drives may be purchased by copying this link and pasting it into your browser: ualit. SV. STARVERT. iG5A series. Motor rating (kW). ( kW~ 22kW). Input voltage 1) H32 ~ H36 factory default values are set based on OTIS-LG motor.
| Author: | Vurisar Zukazahn |
| Country: | Angola |
| Language: | English (Spanish) |
| Genre: | Health and Food |
| Published (Last): | 18 September 2008 |
| Pages: | 491 |
| PDF File Size: | 20.56 Mb |
| ePub File Size: | 7.48 Mb |
| ISBN: | 683-6-13564-378-3 |
| Downloads: | 6528 |
| Price: | Free* [*Free Regsitration Required] |
| Uploader: | Akinoshicage |
We have a firm belief that the uttermost satisfaction of our valuable customers is an important assets and it encourages us to be the best in the industry. Get best deals for coconut.
In the whole process of manufacturing and dispatching our products range in time manner, our team of highly experienced and knowledgeable members helps us a ig5. Call Send a quick message. And the parameters made by external loader can be copied and applicable to other Inverters.
Built-in PID control The built-in PID function enables to control flow-rate, oil-pressure, temperature, etc without any extra controller. Year of Establishment Thyristor Drive in Mumbai.
User-friendly interface, extended drive ranges up to 22kW, superb torque competence and small size of iG5A provides an optimized user environment. Number of Employees Upto 10 People. Industrial Alternating Current Drive.
The 4 directions key provides easy handling and. Epaxes Industrial Automation started its business activities in the year as a Sole Proprietorship firm in the industry.

Get in Touch with us Epaxes Industrial Automation. Cooling fan control By controlling the cooling fan, iG5A provides a virtually quiet environment according to the status of operation.
Wide product range iG5A consists of the product range from 0. And the parameters made by external loader can be copied and applicable to other.
Ls Remote 2m,Sv-ig5a Inverter – Buy Remote 2m,Ls(lg) Sv-ig5a,Inverter Product on
View Contact Call Seller Now. I agree to the terms and privacy policy. Alternating Current Motor Drives.
Nature of Business Service Provider. Due to our excellent services and superior quality products, we attain a good market position in the industry.
Our products are so made that they suit the diverse requirements of industrial and commercial sectors. Analog control from V to 10V Inputting analog signals from V to 10V provides user-friendly operation. We have started our operational activities from our headquarters located at Chennai, Tamil Nadu India.
Ls Inverter Ig5a Manual Pdf

User Manual for iG5A – iG5A User Manual
Ground-fault protection during running The ground-fault protection of output terminal is possible during running. User-friendly interface The 4 directions key provides easy handling and monitoring. Kg5a communication Dv built-in RS communication supports remote control and monitoring between iG5A and other equipment. Find more suppliers in Chennai Ac Drives in Chennai. External loader Optional The external loader away from a panel enables to control and monitor conveniently.
Lg Dual Inverter User Manual
Get Best Price Request a quote. Our organization is a manufacturer, supplier and service provider of qualitative product range. Adjustable Frequency Drives in Chennai.
LS Remote 2M, SV-iG5A Inverter
Ig5a Vfd
Vector Drives in Chennai. Annual Turnover Upto Rs. Easy change of fan iG5A is designed to be the fan changeable structure in preparation for a fan breakdown.
2019 New Full 6.3 Inch Ultra-thin X23 Smartphone Face/Fingerprint Unlock 6GB+128GB Android Octa Core Dual SIM Cards Support T. 1 x User Manual 1 x Earphone Product Videos. Custom Field. P31 Pro Android 9.1 6G+128G Full Screen Ultra-thin Smart 4G Mobile 6.3 Inch Phone Smartphone Face/Fingerprint Unlock Cellphone 8.
Vivo X23 User Manual Pdf – Vivo X23 uses a 6.41 inch Super AMOLED screen with a resolution of 1080 x 2340 pixels, Vivo equip this phone with Gorilla Glass screen protector. Vivo X23 is equipped with high performance thanks to a Qualcomm Snapdragon 670 processor, Octa-core 2.0 GHz CPU Kryo 360 and Adreno 615 graphics. 2019 New X23 6GB + 128GB Android 9.1 High Quality 6.3 Inch Ultra-thin Face / Fingerprint Unlock Android Octa Core Dual SIM Card Support Dual Card T Back 8MP + 16MP HD Camera Bluetooth GPS Navigation Hi -fi Sound Quality Smart Phones. Now, Android will restrict access to your phone's microphone, camera, or other sensors when an app is idle or running in the background. (If an app does need to access a sensor, it will show a persistent notification on your phone.) Android 9 also brings important improvements that protect all web communications and offer private web surfing.